Trong mạch điện, đèn P có giá trị định mức 250V, 50W và đèn Q có giá trị định mức 250V, 200W. Hai đèn được mắc nối tiếp với nguồn điện 250V. Giả sử điện trở của mỗi bóng đèn không đổi.
Câu nào mô tả chính xác nhất hiện tượng xảy ra khi công tắc đóng?
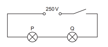
Trong mạch điện, đèn P có giá trị định mức 250V, 50W và đèn Q có giá trị định mức 250V, 200W. Hai đèn được mắc nối tiếp với nguồn điện 250V. Giả sử điện trở của mỗi bóng đèn không đổi.

Câu nào mô tả chính xác nhất hiện tượng xảy ra khi công tắc đóng?
A. Bóng đèn P phát ra công suất gấp bốn lần bóng đèn Q.
B. Bóng đèn P phát ra công suất gấp đôi bóng đèn Q.
C. Bóng đèn Q phát ra công suất gấp bốn lần bóng đèn P.
Quảng cáo
Trả lời:
Phương pháp giải
Điện trở của bóng đèn:\(R = \frac{{U_{?m}^2}}{{{P_{?m}}}}\)
Cường độ dòng điện: \(I = \frac{U}{R}\)
Công suất bóng đèn: \(P = {I^2}R\)
Giải chi tiết
Điện trở mỗi bóng đèn lần lượt là:
\({R_P} = \frac{{U_P^2}}{{{P_P}}} = \frac{{{{250}^2}}}{{50}} = 1250{\mkern 1mu} (\Omega )\)
\({R_Q} = \frac{{U_Q^2}}{{{P_Q}}} = \frac{{{{250}^2}}}{{200}} = 312,5{\mkern 1mu} (\Omega )\)
Cường độ dòng điện qua hai bóng đèn là:
\(I = \frac{U}{{{R_P} + {R_Q}}} = \frac{{250}}{{1250 + 312,5}} = 0,16{\mkern 1mu} ({\rm{A}})\)
Hai bóng đèn có cùng cường độ dòng điện,
\({R_P} = 4{R_Q} \Rightarrow {P_P} = 4{P_Q}\)
Vậy đèn P phát ra công suất gấp 4 lần đèn Q.
Đáp án cần chọn là: A
Hot: 1000+ Đề thi cuối kì 2 file word cấu trúc mới 2026 Toán, Văn, Anh... lớp 1-12 (chỉ từ 60k). Tải ngay
CÂU HỎI HOT CÙNG CHỦ ĐỀ
Câu 1
Lời giải
Phương pháp giải
Áp dụng công thức: Độ cứng (ppm) = (nồng độ ion calcium x 2,5) + (nồng độ ion magnesium x 4,1)
Giải chi tiết
Nồng độ ion \(C{a^{2 + }}\) là:\(\frac{{0,555}}{{40 + 71}}:6 = \frac{1}{{1200}}{\mkern 1mu} {\rm{M}}\)
Nồng độ ion \(M{g^{2 + }}\)là: \(\frac{{0,296}}{{24 + 62,2}}:6 = \frac{1}{{3000}}{\mkern 1mu} {\rm{M}}\)
Khi đó, độ cứng của nước là: \(\frac{1}{{1200}} \cdot 40 \cdot 1000 \cdot 2,5 + \frac{1}{{3000}} \cdot 24 \cdot 1000 \cdot 4,1 = 116,133{\mkern 1mu} {\rm{ppm}}\)
Vậy nước cứng vừa phải.
Đáp án cần chọn là: B
Câu 2
A. nguồn lương thực dồi dào, nhu cầu nội vùng lớn.
B. lao động có kinh nghiệm, chuồng trại hoàn thiện.
C. diện tích rừng lớn, số cơ sở chế biến tăng nhanh.
Lời giải
Phương pháp giải
Gia súc lớn gồm: trâu, bò, ngựa.
Phát triển chăn nuôi gia súc lớn cần nguồn thức ăn lớn.
Giải chi tiết
Điều kiện thuận lợi chủ yếu để Trung du và miền núi Bắc Bộ phát triển chăn nuôi gia súc lớn là có nhiều đồng cỏ (thuận lợi cho việc chăn thả, cung cấp thức ăn), khí hậu nhiệt đới ẩm gió mùa (gia súc lớn thích nghi với điều kiện khí hậu nhiệt đới ẩm gió mùa).
Đáp án cần chọn là: D
Câu 3
A. Dịch vụ là ngành quan trọng, đóng góp lớn nhất vào cơ cấu GRDP của vùng.
B. Vùng có khối lượng hàng hoá vận chuyển và luân chuyển đứng đầu cả nước.
C. Đứng đầu cả nước về tổng mức bán lẻ hàng hoá, doanh thu dịch vụ tiêu dùng.
Lời giải
Bạn cần đăng ký gói VIP ( giá chỉ từ 250K ) để làm bài, xem đáp án và lời giải chi tiết không giới hạn.
Câu 4
A. Luôn có sự ủng hộ trực tiếp, quyết định từ các lực lượng bên ngoài.
B. Phát huy cao độ sức mạnh đoàn kết toàn dân tộc gắn với đường lối đúng đắn.
C. Đối phương đều suy yếu nghiêm trọng ngay từ khi bắt đầu xâm lược.
Lời giải
Bạn cần đăng ký gói VIP ( giá chỉ từ 250K ) để làm bài, xem đáp án và lời giải chi tiết không giới hạn.
Câu 5
A. Chịu tác động mạnh của chế độ gió mùa, thường xuyên có bão.
B. Khí hậu quanh năm lạnh, chịu ảnh hưởng chủ yếu của hải lưu lạnh.
C. Ít biến động thời tiết, khí hậu ôn hoà và ổn định.
Lời giải
Bạn cần đăng ký gói VIP ( giá chỉ từ 250K ) để làm bài, xem đáp án và lời giải chi tiết không giới hạn.
Câu 6
A. Su hào.
B. Súp lơ.
C. Cải bruxen.
Lời giải
Bạn cần đăng ký gói VIP ( giá chỉ từ 250K ) để làm bài, xem đáp án và lời giải chi tiết không giới hạn.
Câu 7
A. Dung dịch X làm quỳ tím chuyển sang màu xanh.
B. X là Lys-Ala-Gly-Gly-Ala-Glu.
C. Thủy phân hoàn toàn X trong dung dịch NaOH dư thu được tối đa 4 muối.
Lời giải
Bạn cần đăng ký gói VIP ( giá chỉ từ 250K ) để làm bài, xem đáp án và lời giải chi tiết không giới hạn.

