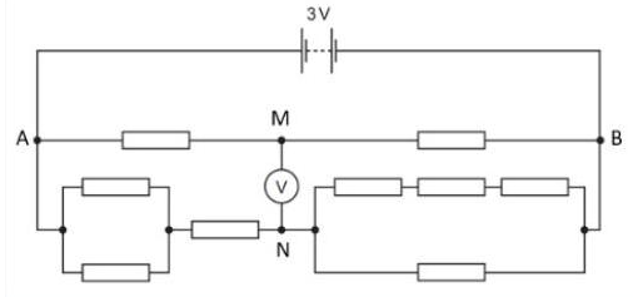
Một mạch điện được thiết lập như hình minh họa, được cung cấp bởi pin 3 V . Tất cả các điện trở đều là \(1{\rm{k\Omega }}\).

Số đọc trên vôn kế sẽ là bao nhiêu? (Cho vôn kế là lỉ tưởng).
Quảng cáo
Trả lời:
Điện trở tương đương của mạch điện ghép nối tiếp: \({R_{nt}} = {R_1} + {R_2}\)
Điện trở tương đương của mạch điện ghép song song: \({R_{//}} = \frac{{{R_1}{R_2}}}{{{R_1} + {R_2}}}\)
Cường độ đòng điện: \(I = \frac{U}{R}\)
Phương pháp cộng hiệu điện thế: \({U_{AB}} = {U_{AM}} + {U_{MN}} + {U_{MB}}\)

Ta có:
\({U_{AB}} = {U_{AM}} + {U_{MB}} = 3\left( V \right) \Rightarrow {U_{AM}} = {U_{MB}} = 1,5\left( V \right)\)
Ta có điện trờ tương đương:
\({R_{AN}} = \frac{R}{2} + R = 1,5R\)
\({R_{NB}} = \frac{{3R.R}}{{3R + R}} = 0,75R\)
\( \Rightarrow {R_{AN}} = 2{R_{NB}} \Rightarrow {U_{AN}} = 2{U_{NB}}\)
Mặt khác: \({U_{AN}} + {U_{NB}} = {U_{AB}} = 3\left( V \right) \Rightarrow {U_{AN}} = 2\left( V \right)\)
Số chỉ của vôn kế là:
\({U_V} = \left| {{U_{MN}}} \right| = \left| {{U_{AN}} - {U_{AM}}} \right| = \left| {2 - 1,5} \right| = 0,5\left( V \right)\)
Đáp án cần chọn là: B
Hot: 1000+ Đề thi giữa kì 2 file word cấu trúc mới 2026 Toán, Văn, Anh... lớp 1-12 (chỉ từ 60k). Tải ngay
- Tuyển tập 15 đề thi Đánh giá tư duy Đại học Bách Khoa Hà Nội 2025 (Tập 1) ( 39.000₫ )
- Tuyển tập 30 đề thi đánh giá năng lực Đại học Quốc gia TP Hồ Chí Minh (2 cuốn) ( 140.000₫ )
- Tuyển tập 30 đề thi đánh giá năng lực Đại học Quốc gia Hà Nội 2025 (Tập 1) ( 39.000₫ )
- Tuyển tập 30 đề thi đánh giá năng lực Đại học Quốc gia Hà Nội, TP Hồ Chí Minh (2 cuốn) ( 150.000₫ )
CÂU HỎI HOT CÙNG CHỦ ĐỀ
Câu 1
A. hope
Lời giải
Phương pháp giải
Điền từ khuyết
Giải chi tiết
"Relate" (liên hệ, kết nối) phù hợp với ý nghĩa của câu vì nhu cầu cơ bản của con người là thuộc về và liên hệ (kết nối) với nhau, điều này đạt được thông qua giao tiếp giữa các cá nhân.
Human beings have fundamental needs to belong and to relate, for which interpersonal communication is the key.
Tạm dịch:
Con người có nhu cầu cơ bản là thuộc về và kết nối, mà giao tiếp giữa các cá nhân là yếu tố then chốt.
Đáp án cần chọn là: C
Câu 2
A. Avoiding refined foods and sugar
B. Choosing whole grains
C. Minimizing saturated fats
Lời giải
Phương pháp giải
Đọc – chi tiết
Giải chi tiết
Theo đoạn văn, điều nào sau đây KHÔNG phải là khuyến nghị chính cho chế độ ăn thuần chay lành mạnh?
A. Tránh thực phẩm tinh chế và đường
B. Chọn ngũ cốc nguyên hạt
C. Giảm thiểu chất béo bão hòa
D. Loại bỏ tất cả các sản phẩm từ động vật
Thông tin:
And the prescription for being vegan isn't much different from any healthy diet. You want to choose whole grains and avoid refined foods and sugar... The goal is to minimize - not eliminate - [saturated fats].
Không có câu nào khuyên eliminating all animal products.
Tạm dịch:
Và chế độ ăn thuần chay không khác nhiều so với bất kỳ chế độ ăn lành mạnh nào. Bạn nên chọn ngũ cốc nguyên hạ̣t và tránh thực phảm tinh chế và đường... Mục tiêu là giàm thiểu — không loại bỏ hoàn toàn — chất béo bão hòa.
Đáp án cần chọn là: D
Câu 3
A. someone identity
B. someone’s identity
C. his identity
Lời giải
Bạn cần đăng ký gói VIP ( giá chỉ từ 199K ) để làm bài, xem đáp án và lời giải chi tiết không giới hạn.
Câu 4
A. Nền kinh tế phát triển dựa trên sức mạnh của tri thức để sử dụng hiệu quả các nguồn lực của kinh tế.
B. Nền kinh tế mà trong đó lực lượng lao động có tri thức mang lại phần lớn lợi nhuận.
C. Nền kinh tế chú trọng đầu tư vào lĩnh vực tri thức.
Lời giải
Bạn cần đăng ký gói VIP ( giá chỉ từ 199K ) để làm bài, xem đáp án và lời giải chi tiết không giới hạn.
Câu 5
A. Bắc Trung Bộ.
B. Đông Bắc Bộ.
C. Đồng bằng Bắc Bộ.
Lời giải
Bạn cần đăng ký gói VIP ( giá chỉ từ 199K ) để làm bài, xem đáp án và lời giải chi tiết không giới hạn.
Câu 6
Lời giải
Bạn cần đăng ký gói VIP ( giá chỉ từ 199K ) để làm bài, xem đáp án và lời giải chi tiết không giới hạn.
Lời giải
Bạn cần đăng ký gói VIP ( giá chỉ từ 199K ) để làm bài, xem đáp án và lời giải chi tiết không giới hạn.
