250+ câu trắc nghiệm Kỹ thuật thông gió và điều hoà không khí có đáp án - Phần 3
24 người thi tuần này 4.6 1.7 K lượt thi 25 câu hỏi 45 phút
Bạn cần đăng ký gói VIP ( giá chỉ từ 199K ) để làm bài, xem đáp án và lời giải chi tiết không giới hạn.
🔥 Học sinh cũng đã học
1000+ câu trắc nghiệm Marketing và Thị trường dược phẩm có đáp án - phần 13
1000+ câu trắc nghiệm Marketing và Thị trường dược phẩm có đáp án - phần 12
1000+ câu trắc nghiệm Marketing và Thị trường dược phẩm có đáp án - phần 11
1000+ câu trắc nghiệm Marketing và Thị trường dược phẩm có đáp án - phần 10
1000+ câu trắc nghiệm Marketing và Thị trường dược phẩm có đáp án - phần 9
1000+ câu trắc nghiệm Marketing và Thị trường dược phẩm có đáp án - phần 8
1000+ câu trắc nghiệm Marketing và Thị trường dược phẩm có đáp án - phần 8
1000+ câu trắc nghiệm Marketing và Thị trường dược phẩm có đáp án - phần 7
Danh sách câu hỏi:
Câu 1
tăng chế độ nhiệt của máy nén, làm giảm độ bền của máy nén (1).
làm tăng nhiệt độ dầu bồi trơn, làm giảm bôi trơn máy nén (2).
cả 2 đáp án (1) và (2) đều đúng
cả 2 đáp án (1) và (2) đều sai
Lời giải
Chọn đáp án C.
Câu 2
bình chứa áp suất thấp (BCAST) còn gọi là bình chứa tuần hoàn (BCTH) (1)
bơm tuần hoàn (2)
cả 2 đáp án (1) và (2) đều đúng
cả 2 đáp án (1) và (2) đều sai
Lời giải
Chọn đáp án C.
Câu 3
tách lỏng hơi môi chất trước khi vào máy nén nên tránh được hiện tượng ngập lỏng máy nén (1).
môi chất khi vào dàn bay hơi là môi chất lỏng hoàn toàn, do đó tăng được hệ số truyền nhiệt của dàn bay hơi, làm tăng tính kinh tế của chu trình (2).
cả 2 đáp án (1) và (2) đều đúng
cả 2 đáp án (1) và (2) đều sai
Lời giải
Chọn đáp án C.
Câu 4
làm tăng hệ số trao đổi nhiệt của DBH, tăng tính kinh tế của chu trình.
làm giảm hệ số trao đổi nhiệt của DBH, tăng tính kinh tế của chu trình.
làm tăng hệ số trao đổi nhiệt của DBH, làm giảm tính kinh tế của chu trình.
tất cả các đáp án đều sai
Lời giải
Chọn đáp án A.
Câu 5
hơi quá nhiệt
hơi bão hòa khô
hơi bão hòa ẩm
tất cả các đáp án đều sai
Lời giải
Chọn đáp án B.
Câu 6
lỏng sôi
lỏng hoàn toàn
hơi bão hòa ẩm
tất cả các đáp án đều sai
Lời giải
Bạn cần đăng ký gói VIP ( giá chỉ từ 199K ) để làm bài, xem đáp án và lời giải chi tiết không giới hạn.
Câu 7
hơi 5 nhả nhiệt cho hơi 6
hơi 6 nhả nhiệt cho hơi 5
hơi 5 và hơi 6 không có trao đổi nhiệt với nhau
tất cả các đáp án đều sai
Lời giải
Bạn cần đăng ký gói VIP ( giá chỉ từ 199K ) để làm bài, xem đáp án và lời giải chi tiết không giới hạn.
Câu 8
tỷ số nén π=pk/p0 quá thấp
tỷ số nén π=pk/p0 quá cao
tỷ số nén không thay đổi
tất cả các đáp án đều sai
Lời giải
Bạn cần đăng ký gói VIP ( giá chỉ từ 199K ) để làm bài, xem đáp án và lời giải chi tiết không giới hạn.
Câu 9
Công nén đơn vị l tăng cao, hệ số làm lạnh ε giảm
Hiệu suất hút của máy nén giảm.
Nhiệt độ cuối quá trình nén t2 tăng cao, ảnh hưởng đến bôi trơn và độ bền của máy nén.
Tất cả các đáp án đều sai
Lời giải
Bạn cần đăng ký gói VIP ( giá chỉ từ 199K ) để làm bài, xem đáp án và lời giải chi tiết không giới hạn.
Câu 10
tổng công nén là lớn nhất
tổng công nén là nhỏ nhất
tổng công nén là không đổi
tất cả các đáp án đều sai
Lời giải
Bạn cần đăng ký gói VIP ( giá chỉ từ 199K ) để làm bài, xem đáp án và lời giải chi tiết không giới hạn.
Câu 11
giữa các cấp nén bao giờ cũng phải có làm mát trung gian
giữa các cấp nén không cần có làm mát trung gian
tùy theo thiết kế của hệ thống
tất cả các đáp án đều sai
Lời giải
Bạn cần đăng ký gói VIP ( giá chỉ từ 199K ) để làm bài, xem đáp án và lời giải chi tiết không giới hạn.
Câu 12
π = \(\sqrt[n]{{\frac{{{p_0}}}{{{p_k}}}}}\)
π = \(\sqrt[n]{{\frac{{{p_m}}}{{{p_0}}}}}\)
π = \(\sqrt[n]{{\frac{{{p_K}}}{{{p_0}}}}}\)
π = \(\sqrt[n]{{\frac{{{p_K}}}{{{p_m}}}}}\)
Lời giải
Bạn cần đăng ký gói VIP ( giá chỉ từ 199K ) để làm bài, xem đáp án và lời giải chi tiết không giới hạn.
Câu 13
tách lỏng cho hơi công chất vào máy nén cao áp, đảm bảo máy không bị thủy kích.
làm mát cho hơi công chất sau MN1, làm giảm nhiệt độ của MN2, tăng an toàn cho máy
làm giảm công nén của hệ thống, tăng hiệu quả của chu trình
tất cả các đáp án đều đúng
Lời giải
Bạn cần đăng ký gói VIP ( giá chỉ từ 199K ) để làm bài, xem đáp án và lời giải chi tiết không giới hạn.
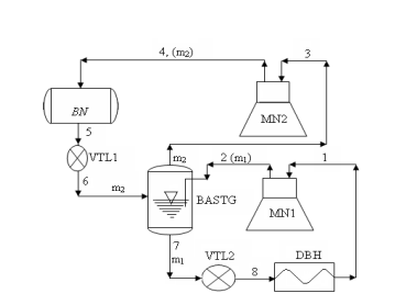
Câu 14
hơi 6 nhả nhiệt cho hơi 2
hơi 2 nhả nhiệt cho hơi 6
không có trao đổi nhiệt trong BASTG
lỏng 7 trao nhiệt cho hơi 6
Lời giải
Bạn cần đăng ký gói VIP ( giá chỉ từ 199K ) để làm bài, xem đáp án và lời giải chi tiết không giới hạn.
Câu 15
là bầu làm mát trung gian không có bề mặt hấp nhiệt
môi chất hòa trộn với nhau và trao đổi nhiệt cho nhau
diện tích trao đổi nhiệt ở đây là vô hạn; làm mát trung gian là hoàn toàn
tất cả các đáp án đều đúng
Lời giải
Bạn cần đăng ký gói VIP ( giá chỉ từ 199K ) để làm bài, xem đáp án và lời giải chi tiết không giới hạn.
Câu 16
làm mát trung gian một phần
làm mát trung gian hoàn toàn
không có làm mát trung gian
tất cả các đáp án đều sai
Lời giải
Bạn cần đăng ký gói VIP ( giá chỉ từ 199K ) để làm bài, xem đáp án và lời giải chi tiết không giới hạn.
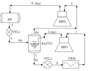
Câu 17
làm mát hơi 2 sau MN1
quá lạnh lỏng công chất sau BN
tách lỏng cho hơi công chất 3 vào MN2
tất cả các đáp án đều đúng
Lời giải
Bạn cần đăng ký gói VIP ( giá chỉ từ 199K ) để làm bài, xem đáp án và lời giải chi tiết không giới hạn.
Câu 18
hơi 7 nhả nhiệt cho hơi 2
hơi 2 nhả nhiệt cho hơi 7
hơi 7 nhả nhiệt cho lỏng 5
không có trao đổi nhiệt trong BASTG
Lời giải
Bạn cần đăng ký gói VIP ( giá chỉ từ 199K ) để làm bài, xem đáp án và lời giải chi tiết không giới hạn.
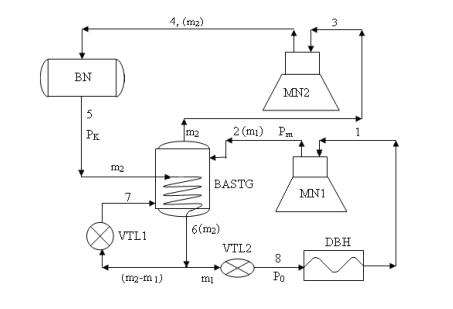
Câu 19
quá trình 5-6
quá trình 6-7
quá trình 7-3
quá trình 2-3
Lời giải
Bạn cần đăng ký gói VIP ( giá chỉ từ 199K ) để làm bài, xem đáp án và lời giải chi tiết không giới hạn.
Câu 20
quá lạnh lỏng công chất, làm giảm tổn thất hóa hơi sớm ở VTL, giảm hiệu quả của chu trình
quá lạnh lỏng công chất, làm tăng tổn thất hóa hơi sớm ở VTL, giảm hiệu quả của chu trình
quá lạnh lỏng công chất, làm giảm tổn thất hóa hơi sớm ở VTL, tăng hiệu quả của chu trình
không có quá trình quá lạnh lỏng công chất
Lời giải
Bạn cần đăng ký gói VIP ( giá chỉ từ 199K ) để làm bài, xem đáp án và lời giải chi tiết không giới hạn.
Câu 21
quá trình 2-3
quá trình 5-6
quá trình 6-7
quá trình 7-3
Lời giải
Bạn cần đăng ký gói VIP ( giá chỉ từ 199K ) để làm bài, xem đáp án và lời giải chi tiết không giới hạn.
Câu 22
yêu cầu nhiệt độ làm lạnh rất thấp, nhiệt độ ngưng tụ cao
yêu cầu nhiệt độ làm lạnh cao, nhiệt độ ngưng tụ cao
yêu cầu nhiệt độ làm lạnh cao, nhiệt độ ngưng tụ thấp
tất cả các đáp án đều sai
Lời giải
Bạn cần đăng ký gói VIP ( giá chỉ từ 199K ) để làm bài, xem đáp án và lời giải chi tiết không giới hạn.
Câu 23
1 loại công chất lạnh, hoạt động theo các chu trình độc lập nhau, chồng lên nhau
3 loại công chất lạnh, hoạt động theo các chu trình độc lập nhau, chồng lên nhau
4 loại công chất lạnh, hoạt động theo các chu trình độc lập nhau, chồng lên nhau
2 loại công chất lạnh khác nhau, hoạt động theo các chu trình độc lập nhau, chồng lên nhau
Lời giải
Bạn cần đăng ký gói VIP ( giá chỉ từ 199K ) để làm bài, xem đáp án và lời giải chi tiết không giới hạn.
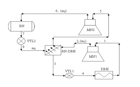
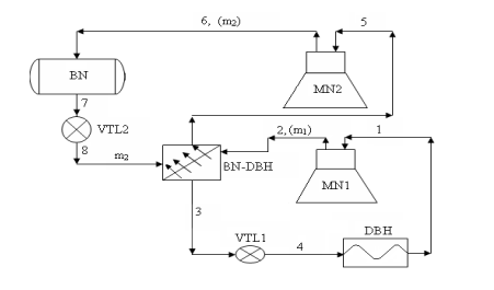
Câu 24
Máy nén
Bình ngưng – dàn bay hơi: BN-DBH
Van tiết lưu
Tất cả các đáp án đều sai
Lời giải
Bạn cần đăng ký gói VIP ( giá chỉ từ 199K ) để làm bài, xem đáp án và lời giải chi tiết không giới hạn.
Câu 25
nhiệt độ ngưng tụ của chu trình tầng dưới phải nhỏ hơn nhiệt độ hóa hơi của tầng trên (tk1<t02)
nhiệt độ ngưng tụ của chu trình tầng dưới phải bằng nhiệt độ hóa hơi của tầng trên (tk1=t02)
nhiệt độ ngưng tụ của chu trình tầng dưới phải lớn hơn nhiệt độ hóa hơi của tầng trên (tk1>t02)
tất cả các đáp án đều sai
Lời giải
Bạn cần đăng ký gói VIP ( giá chỉ từ 199K ) để làm bài, xem đáp án và lời giải chi tiết không giới hạn.












