250+ câu trắc nghiệm Kỹ thuật thông gió và điều hoà không khí có đáp án - Phần 8
23 người thi tuần này 4.6 1.7 K lượt thi 25 câu hỏi 45 phút
Bạn cần đăng ký gói VIP ( giá chỉ từ 199K ) để làm bài, xem đáp án và lời giải chi tiết không giới hạn.
🔥 Học sinh cũng đã học
1000+ câu trắc nghiệm Marketing và Thị trường dược phẩm có đáp án - phần 13
1000+ câu trắc nghiệm Marketing và Thị trường dược phẩm có đáp án - phần 12
1000+ câu trắc nghiệm Marketing và Thị trường dược phẩm có đáp án - phần 11
1000+ câu trắc nghiệm Marketing và Thị trường dược phẩm có đáp án - phần 10
1000+ câu trắc nghiệm Marketing và Thị trường dược phẩm có đáp án - phần 9
1000+ câu trắc nghiệm Marketing và Thị trường dược phẩm có đáp án - phần 8
1000+ câu trắc nghiệm Marketing và Thị trường dược phẩm có đáp án - phần 8
1000+ câu trắc nghiệm Marketing và Thị trường dược phẩm có đáp án - phần 7
Danh sách câu hỏi:
Câu 1
Phát biểu nào sau đây là đúng: Các chất hấp thụ nước để lọc nước sử dụng trong bầu lọc nước phải ………
Có khả năng hấp thụ nước nhỏ
Khó phục hồi tái sinh
Dễ làm phân huỷ môi chất
Không làm phân huỷ môi chất, dầu nhờn, hoặc kim loại
Lời giải
Chọn đáp án D.
Câu 2
Phát biểu nào sau đây là đúng: Các chất hấp thụ nước để lọc nước sử dụng trong bầu lọc nước phải ………
Có khả năng hấp thụ nước nhỏ
Dễ phục hồi tái, sinh
Dễ làm phân huỷ môi chất
Dễ làm phân huỷ dầu nhờn, hoặc kim loại
Lời giải
Chọn đáp án B.
Câu 3
Phát biểu nào sau đây là đúng: Các chất hấp thụ nước để lọc nước sử dụng trong bầu lọc nước phải ………
Có khả năng hấp thụ nước nhỏ
Khó phục hồi tái, sinh
Dễ làm phân huỷ môi chất
Không được phép làm tắc hệ thống
Lời giải
Chọn đáp án D.
Câu 4
Do hút chân không trước khi nạp môi chất không tốt
Do không khí có lẫn trong môi chất và trong dầu nhờn
Do khi sửa chữa nhỏ xả không khí không triệt để; Do không khí dò lọt vào ở phần thấp áp
Tất cả các đáp án đều đúng
Lời giải
Chọn đáp án D.
Câu 5
Làm tăng áp suất bình ngưng, do đó làm tăng tỷ số nén, tăng công nén, giảm năng suất của máy nén, giảm hệ số làm lạnh
Không khí có hệ số dẫn nhiệt nhỏ, nên làm giảm hệ số trao đổi nhiệt của các thiết bị trao đổi nhiệt như bình ngưng, dàn bay hơi
Không khí mang theo nước vào hệ thống gây ra nhiều tác hại do nước trong hệ thống gây ra
Tất cả các đáp án đều đúng
Lời giải
Chọn đáp án D.
Câu 6
Làm tăng áp suất bình ngưng, do đó làm tăng tỷ số nén
Làm giảm áp suất bình ngưng, do đó làm tăng tỷ số nén
Không khí trong hệ thống lạnh không ảnh hưởng đến áp suất bình ngưng và tỷ số nén
Làm tăng áp suất bình ngưng, do đó làm giảm tỷ số nén
Lời giải
Bạn cần đăng ký gói VIP ( giá chỉ từ 199K ) để làm bài, xem đáp án và lời giải chi tiết không giới hạn.
Câu 7
Làm tăng công nén, giảm năng suất của máy nén, giảm hệ số làm lạnh
Làm giảm công nén, giảm năng suất của máy nén, giảm hệ số làm lạnh
Làm tăng công nén, tăng năng suất của máy nén, giảm hệ số làm lạnh
Làm giảm công nén, giảm năng suất của máy nén, tăng hệ số làm lạnh
Lời giải
Bạn cần đăng ký gói VIP ( giá chỉ từ 199K ) để làm bài, xem đáp án và lời giải chi tiết không giới hạn.
Câu 8
Làm giảm hệ số trao đổi nhiệt của bình ngưng, dàn bay hơi
Làm tăng hệ số trao đổi nhiệt của bình ngưng, dàn bay hơi
Làm giảm hệ số trao đổi nhiệt của bình ngưng, tăng hệ số trao đổi nhiệt của dàn bay hơi
Làm tăng hệ số trao đổi nhiệt của bình ngưng, giảm hệ số trao đổi nhiệt của dàn bay hơi
Lời giải
Bạn cần đăng ký gói VIP ( giá chỉ từ 199K ) để làm bài, xem đáp án và lời giải chi tiết không giới hạn.
Câu 9
Xả được nhiều không khí nhất, và mất ít môi chất nhất
Xả được ít không khí nhất, và mất ít môi chất nhất
Xả được nhiều không khí nhất, và mất nhiều môi chất nhất
Xả được ít không khí nhất, và mất nhiều môi chất nhất
Lời giải
Bạn cần đăng ký gói VIP ( giá chỉ từ 199K ) để làm bài, xem đáp án và lời giải chi tiết không giới hạn.
Câu 10
Định kỳ dừng máy nén để làm tan băng
Dùng điện sấy, dùng hơi nóng hoặc nước nóng để phá băng
Dùng bản thân hơi môi chất nóng không cho qua bình ngưng để phá băng (phá băng bằng nhiệt trong)
Tất cả các đáp án đều đúng
Lời giải
Bạn cần đăng ký gói VIP ( giá chỉ từ 199K ) để làm bài, xem đáp án và lời giải chi tiết không giới hạn.
Câu 11
Định kỳ dừng máy nén để làm tan băng
Dùng điện sấy
Dùng bản thân hơi môi chất nóng không cho qua bình ngưng để phá băng
Dùng hơi nóng hoặc nước nóng để phá băng
Lời giải
Bạn cần đăng ký gói VIP ( giá chỉ từ 199K ) để làm bài, xem đáp án và lời giải chi tiết không giới hạn.
Câu 12
Được sử dụng cho các hệ thống lạnh lớn có hai hay nhiều dàn bay hơi
Được sử dụng cho các hệ thống lạnh nhỏ có một dàn bay hơi
Được sử dụng cho tất cả các loại hệ thống lạnh
Tất cả các đáp án đều sai
Lời giải
Bạn cần đăng ký gói VIP ( giá chỉ từ 199K ) để làm bài, xem đáp án và lời giải chi tiết không giới hạn.
Câu 13
Để tách các hạt lỏng (ẩm) còn lại trong dòng hơi trước khi về máy nén, tránh thủy kích máy nén
Để tăng các hạt ẩm có trong dòng hơi trước khi về máy nén, tránh thủy kích máy nén
Để tăng các hạt ẩm có trong dòng hơi trước khi về máy nén, tăng thủy kích máy nén
Tất cả các đáp án đều sai
Lời giải
Bạn cần đăng ký gói VIP ( giá chỉ từ 199K ) để làm bài, xem đáp án và lời giải chi tiết không giới hạn.
Câu 14
Trên đường hơi hút về máy nén, sau dàn bay hơi
Trên đường đẩy của máy nén, trước bình ngưng
Sau bình ngưng, trước van tiết lưu
Sau van tiết lưu, trước dàn bay hơi
Lời giải
Bạn cần đăng ký gói VIP ( giá chỉ từ 199K ) để làm bài, xem đáp án và lời giải chi tiết không giới hạn.
Câu 15
Giảm đột ngột tốc độ dòng hơi từ tốc độ cao xuống tốc độ thấp cỡ 0,5÷1,0 m/s. Khi giảm tốc độ đột ngột các giọt lỏng mất động năng và rơi xuống đáy bình
Thay đổi hướng chuyển động của dòng môi chất một cách đột ngột. Dòng môi chất đưa vào bình không theo phương thẳng mà thường đưa ngoặt theo những góc nhất định
Dùng các tấm chắn để ngăn các giọt lỏng
Tất cả các đáp án đều đúng
Lời giải
Bạn cần đăng ký gói VIP ( giá chỉ từ 199K ) để làm bài, xem đáp án và lời giải chi tiết không giới hạn.
Câu 16
Bình tách dầu làm việc ở phạm vi nhiệt độ cao, còn bình tách lỏng làm việc ở phạm vi nhiệt độ thấp
Bình tách dầu đặt trên đường đẩy, còn bình tách lỏng đặt trên đường ống hút của máy nén
Cả 2 đáp án (1) và (2) đều đúng
Cả 2 đáp án (1) và (2) đều sai
Lời giải
Bạn cần đăng ký gói VIP ( giá chỉ từ 199K ) để làm bài, xem đáp án và lời giải chi tiết không giới hạn.
Câu 17
Đặt ở đường ống hút của máy nén, nơi có nhiệt độ thấp hơn nhiệt độ môi trường
Đặt ở đường ống hút của máy nén, nơi có nhiệt độ cao hơn nhiệt độ môi trường
Đặt ở đường ống đẩy của máy nén, nơi có nhiệt độ cao hơn nhiệt độ môi trường
Đặt ở đường ống đẩy của máy nén, nơi có nhiệt độ thấp hơn nhiệt độ môi trường
Lời giải
Bạn cần đăng ký gói VIP ( giá chỉ từ 199K ) để làm bài, xem đáp án và lời giải chi tiết không giới hạn.
Câu 18
VTL tự động kiểu quả phao thường được sử dụng cho các hệ thống lạnh có các bình chứa, như bình chứa tuần hoàn, bình trung gian v.v... (1)
van tiết lưu kiểu quả phao tiết lưu môi chất vào bình và ổn định mức lỏng môi chất trong bình. (2)
Cả 2 đáp án (1) và (2) đều đúng
Cả 2 đáp án (1) và (2) đều sai
Lời giải
Bạn cần đăng ký gói VIP ( giá chỉ từ 199K ) để làm bài, xem đáp án và lời giải chi tiết không giới hạn.
Câu 19
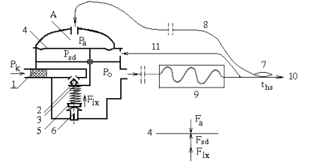
tự động điều chỉnh áp suất hơi môi chất vào dàn bay hơi p0 và nhiệt độ hơi quá nhiệt Δtqn của môi chất sau dàn bay hơi.
tự động điều chỉnh áp suất hơi môi chất sau dàn bay hơi psd và nhiệt độ hơi quá nhiệt Δtqn của môi chất sau dàn bay hơi.
tự động điều chỉnh áp suất hơi môi chất vào dàn bay hơi p0 và nhiệt độ bay hơi t0 của môi chất trong dàn bay hơi.
tự động điều chỉnh áp suất hơi môi chất sau dàn bay hơi psd và nhiệt độ bay hơi t0 của môi chất trong dàn bay hơi.
Lời giải
Bạn cần đăng ký gói VIP ( giá chỉ từ 199K ) để làm bài, xem đáp án và lời giải chi tiết không giới hạn.
Câu 20
tự động điều chỉnh áp suất hơi môi chất vào DBH p0 và nhiệt độ hơi quá nhiệt Δtqn của môi chất sau DBH.
tự động điều chỉnh áp suất hơi môi chất sau DBH psd và nhiệt độ hơi quá nhiệt Δtqn của môi chất sau DBH.
tự động điều chỉnh áp suất hơi môi chất vào DBH p0 và nhiệt độ bay hơi t0 của môi chất trong DBH.
tự động điều chỉnh áp suất hơi môi chất sau DBH psd và nhiệt độ bay hơi t0 của môi chất trong DBH.
Lời giải
Bạn cần đăng ký gói VIP ( giá chỉ từ 199K ) để làm bài, xem đáp án và lời giải chi tiết không giới hạn.
Câu 21
p0 của áp suất môi chất ngay trước dàn bay hơi
psd của áp suất môi chất ngay sau dàn bay hơi
pk của áp suất môi chất ngay sau bình ngưng
Tất cả các đáp án đều sai
Lời giải
Bạn cần đăng ký gói VIP ( giá chỉ từ 199K ) để làm bài, xem đáp án và lời giải chi tiết không giới hạn.
Câu 22
p0 của áp suất môi chất ngay trước dàn bay hơi
psd của áp suất môi chất ngay sau dàn bay hơi
pk của áp suất môi chất ngay sau bình ngưng
Tất cả các đáp án đều sai
Lời giải
Bạn cần đăng ký gói VIP ( giá chỉ từ 199K ) để làm bài, xem đáp án và lời giải chi tiết không giới hạn.
Câu 23
hệ thống lạnh lớn, tổn thất áp suất lớn
hệ thống lạnh nhỏ, tổn thất áp suất nhỏ
có thể sử dụng cho tất cả các loại hệ thống lạnh
Tất cả các đáp án đều sai
Lời giải
Bạn cần đăng ký gói VIP ( giá chỉ từ 199K ) để làm bài, xem đáp án và lời giải chi tiết không giới hạn.
Câu 24
hệ thống lạnh lớn, tổn thất áp suất lớn
hệ thống lạnh nhỏ, tổn thất áp suất lớn
hệ thống lạnh lớn, tổn thất áp suất nhỏ
có thể sử dụng cho tất cả các loại hệ thống lạnh
Lời giải
Bạn cần đăng ký gói VIP ( giá chỉ từ 199K ) để làm bài, xem đáp án và lời giải chi tiết không giới hạn.
Câu 25
Δtqn = 8÷100C.
Δtqn = 10÷150C.
Δtqn = 5÷80C.
Δtqn = 3÷50C.
Lời giải
Bạn cần đăng ký gói VIP ( giá chỉ từ 199K ) để làm bài, xem đáp án và lời giải chi tiết không giới hạn.

