250+ câu trắc nghiệm Kỹ thuật thông gió và điều hoà không khí có đáp án - Phần 2
20 người thi tuần này 4.6 1.7 K lượt thi 25 câu hỏi 45 phút
Bạn cần đăng ký gói VIP ( giá chỉ từ 199K ) để làm bài, xem đáp án và lời giải chi tiết không giới hạn.
🔥 Học sinh cũng đã học
1000+ câu trắc nghiệm Marketing và Thị trường dược phẩm có đáp án - phần 13
1000+ câu trắc nghiệm Marketing và Thị trường dược phẩm có đáp án - phần 12
1000+ câu trắc nghiệm Marketing và Thị trường dược phẩm có đáp án - phần 11
1000+ câu trắc nghiệm Marketing và Thị trường dược phẩm có đáp án - phần 10
1000+ câu trắc nghiệm Marketing và Thị trường dược phẩm có đáp án - phần 9
1000+ câu trắc nghiệm Marketing và Thị trường dược phẩm có đáp án - phần 8
1000+ câu trắc nghiệm Marketing và Thị trường dược phẩm có đáp án - phần 8
1000+ câu trắc nghiệm Marketing và Thị trường dược phẩm có đáp án - phần 7
Danh sách câu hỏi:
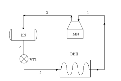
Câu 1
A. quá trình đẳng áp.
B. có hóa hơi công chất, gọi là hóa hơi sớm ở van tiết lưu
C. quá trình đẳng entropi
D. quá trình đẳng nhiệt
Lời giải
Chọn đáp án D.
Câu 2
giảm quá trình nhận nhiệt hóa hơi đẳng áp p0, đẳng nhiệt t0 ở dàn bay hơi, giảm hệ số làm lạnh của chu trình.
tăng hệ số làm lạnh của chu trình, tăng hiệu quả của chu trình.
tăng hệ số làm lạnh của chu trình, giảm hiệu quả của chu trình.
giảm hệ số làm lạnh của chu trình, tăng hiệu quả của chu trình.
Lời giải
Chọn đáp án A.
Câu 3
hơi quá nhiệt (1)
hơi bão hòa khô (2)
cả hai đáp án (1) và (2) đều đúng
cả hai đáp án (1) và (2) đều sai.
Lời giải
Chọn đáp án C.
Câu 4
thủy kích máy nén, làm hư hỏng máy nén
không gây ra thủy kích máy nén
làm tăng nhiệt độ máy nén, giảm độ bền của máy
tất cả các đáp án đều sai.
Lời giải
Chọn đáp án A.
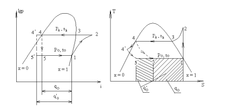
Câu 5
q0 = i1 – i2 [J/kg]
q0 = i2 – i1 [J/kg]
q0 = i5 – i1 [J/kg]
q0 = i1 – i5 [J/kg]
Lời giải
Chọn đáp án D.
Câu 6
l = i1 – i2 [J/kg]
l = i2 – i1 [J/kg]
l = i5 – i1 [J/kg]
l = i1 – i5 [J/kg]
Lời giải
Bạn cần đăng ký gói VIP ( giá chỉ từ 199K ) để làm bài, xem đáp án và lời giải chi tiết không giới hạn.
Câu 7
qk = i1 – i2 [J/kg]
qk = i2 – i4 [J/kg]
qk = i5 – i1 [J/kg]
qk = i1 – i4 [J/kg]
Lời giải
Bạn cần đăng ký gói VIP ( giá chỉ từ 199K ) để làm bài, xem đáp án và lời giải chi tiết không giới hạn.
Câu 8
ε = \(\frac{{{q_0}}}{l}\)
ε =\(\frac{l}{{{q_0}}}\)
ε = \(\frac{{{q_0}}}{{{q_k}}}\)
ε = \(\frac{{{q_k}}}{l}\)
Lời giải
Bạn cần đăng ký gói VIP ( giá chỉ từ 199K ) để làm bài, xem đáp án và lời giải chi tiết không giới hạn.
Câu 9
tb < tbl < t0
t0 < tb < tbl
t0 < tbl < tb
tbl < tb < t0
Lời giải
Bạn cần đăng ký gói VIP ( giá chỉ từ 199K ) để làm bài, xem đáp án và lời giải chi tiết không giới hạn.
Câu 10
tb < tk < t2
tk < t2 < tb
tk < tb < t2
t2 < tb < tk
Lời giải
Bạn cần đăng ký gói VIP ( giá chỉ từ 199K ) để làm bài, xem đáp án và lời giải chi tiết không giới hạn.
Câu 11
147,41 [kJ/kg]
37,96 [kJ/kg]
127,41 [kJ/kg]
137,96 [kJ/kg]
Lời giải
Bạn cần đăng ký gói VIP ( giá chỉ từ 199K ) để làm bài, xem đáp án và lời giải chi tiết không giới hạn.
Câu 12
37,96 [kJ/kg]
147,41 [kJ/kg]
127,41 [kJ/kg]
137,96 [kJ/kg]
Lời giải
Bạn cần đăng ký gói VIP ( giá chỉ từ 199K ) để làm bài, xem đáp án và lời giải chi tiết không giới hạn.
Lời giải
Bạn cần đăng ký gói VIP ( giá chỉ từ 199K ) để làm bài, xem đáp án và lời giải chi tiết không giới hạn.
Câu 14
206,2 [kJ/kg]
52,6 [kJ/kg]
152,6 [kJ/kg]
106,2 [kJ/kg]
Lời giải
Bạn cần đăng ký gói VIP ( giá chỉ từ 199K ) để làm bài, xem đáp án và lời giải chi tiết không giới hạn.
Câu 15
42,6 [kJ/kg]
206,2 [kJ/kg]
142,6 [kJ/kg]
106,2 [kJ/kg]
Lời giải
Bạn cần đăng ký gói VIP ( giá chỉ từ 199K ) để làm bài, xem đáp án và lời giải chi tiết không giới hạn.
Lời giải
Bạn cần đăng ký gói VIP ( giá chỉ từ 199K ) để làm bài, xem đáp án và lời giải chi tiết không giới hạn.
Câu 17
Giảm tổn thất hóa hơi sớm ở van tiết lưu, tăng hiệu quả của chu trình
tăng tổn thất hóa hơi sớm ở van tiết lưu, tăng hiệu quả của chu trình
giảm hệ số làm lạnh, tăng hiệu quả của chu trình
tất cả các đáp án đều sai.
Lời giải
Bạn cần đăng ký gói VIP ( giá chỉ từ 199K ) để làm bài, xem đáp án và lời giải chi tiết không giới hạn.
Câu 18
tăng tổn thất hóa hơi sớm ở van tiết lưu, tăng hiệu quả của chu trình
tăng quá trình hóa hơi đẳng áp, đẳng nhiệt trong DBH, làm tăng hiệu quả của chu trình
giảm hệ số làm lạnh
giảm quá trình hóa hơi đẳng áp, đẳng nhiệt trong DBH, làm tăng hiệu quả của chu trình
Lời giải
Bạn cần đăng ký gói VIP ( giá chỉ từ 199K ) để làm bài, xem đáp án và lời giải chi tiết không giới hạn.
Câu 19
hệ số làm lạnh không thay đổi
hệ số làm lạnh tăng lên, làm tăng hiệu quả của chu trình
hệ số làm giảm đi, làm tăng hiệu quả của chu trình
tất cả các đáp án đều sai.
Lời giải
Bạn cần đăng ký gói VIP ( giá chỉ từ 199K ) để làm bài, xem đáp án và lời giải chi tiết không giới hạn.
Câu 20
∆tql = t4’ - t4 = t4’ - tk
∆tql = t4 - t4’ = tk - t4’
∆tql = t4 - t5 = tk - t5
∆tql = t4’ - t5 = tk - t5
Lời giải
Bạn cần đăng ký gói VIP ( giá chỉ từ 199K ) để làm bài, xem đáp án và lời giải chi tiết không giới hạn.
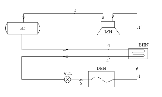
Câu 21
Ngay trong bình ngưng
Trong bầu quá lạnh lỏng
Trong bầu hồi nhiệt
Tất cả các đáp án đều đúng
Lời giải
Bạn cần đăng ký gói VIP ( giá chỉ từ 199K ) để làm bài, xem đáp án và lời giải chi tiết không giới hạn.
Câu 22
môi chất lỏng trước khi qua van tiết lưu được quá lạnh do đó giảm tổn thất hóa hơi sớm ở van tiết lưu,
tăng năng suất lạnh đơn vị q0, tăng hiệu quả làm lạnh của chu trình.
môi chất vào máy nén là hơi quá nhiệt, tránh cho máy nén không bị thủy kích.
Tất cả các đáp án đều đúng
Lời giải
Bạn cần đăng ký gói VIP ( giá chỉ từ 199K ) để làm bài, xem đáp án và lời giải chi tiết không giới hạn.
Câu 23
lỏng 4 nhận nhiệt của hơi 1
lỏng 4 nhả nhiệt cho hơi 1
không có trao đổi nhiệt ở BHN
tất cả các đáp án đều sai
Lời giải
Bạn cần đăng ký gói VIP ( giá chỉ từ 199K ) để làm bài, xem đáp án và lời giải chi tiết không giới hạn.
Câu 24
∆tqn = t1 - t1’ = t0 - t1’
∆tqn = t1’- t1 - = t1’- t0
∆tqn = t4 - t4’ = tk - t4’
∆tqn = t4’ - t4 = t4’- tk
Lời giải
Bạn cần đăng ký gói VIP ( giá chỉ từ 199K ) để làm bài, xem đáp án và lời giải chi tiết không giới hạn.
Lời giải
Bạn cần đăng ký gói VIP ( giá chỉ từ 199K ) để làm bài, xem đáp án và lời giải chi tiết không giới hạn.












